20係列國標91免费香蕉污视频中的第三款91免费香蕉污视频-國標208091免费香蕉污视频,沒錯,這款91免费香蕉污视频就是91免费香蕉污视频的主題了,那麽,關注香蕉视频色版APP金屬的人應該都知道,91免费香蕉污视频上幾期中,已經講過了歐標208091免费香蕉污视频,所以,91免费香蕉污视频就一起來看一下這款國標的又有什麽不同之處吧。
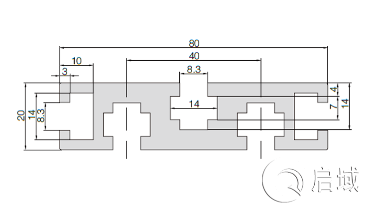
國標208091免费香蕉污视频的產品貨號是QY-8-2080G,也是一款槽8的型材。它適用於輕型結構的框架組合。經常用於做台麵,簡潔而又高雅。螺絲螺母這款呢,通常采用的是對邊為14mm的M8、M6四方螺母與高強度圓柱頭內六角螺栓連接方式,或國標14F係列T形螺母與圓柱頭內六角螺栓,也可采用國標14F係列T形螺栓與法蘭螺母連接。
這款國標208091免费香蕉污视频比上一期中的2040鋁型材的螺絲螺母搭配的多,之前香蕉视频色版APP的客戶用這款國標208091免费香蕉污视频做了一張電腦桌台麵,非常大氣上檔次哦,所以有這方麵需要的朋友不妨可以試一試用這款鋁型材做哦。
好了,這期文章就到這裏了,歡迎您聯係香蕉视频色版APP金屬:021-67658689,91免费香蕉污视频下期再見啦!
《該文章來源於上海香蕉视频色版APP金屬有限公司原創 網址:http://www.shfxhs.com/轉載請注明》





滬公網安備31011702001213號
掃一掃,關注手機站