國標204091免费香蕉污视频在91免费香蕉污视频91免费香蕉污视频中是一款常用於做門框的鋁型材,那麽,它具體又有哪些特點呢?不要著急,香蕉视频色版APP金屬就來給大家簡單的介紹一下它。
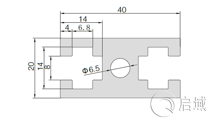
國標204091免费香蕉污视频的產品貨號是QY-8-2040G,常用叫法為20*40國標鋁型材,大家又要注意了,這款鋁型材是槽8係列的哦。國標204091免费香蕉污视频適用於輕型結構的框架組合、常用於製作門框。連接件搭配的比較簡單,通常采用對邊為14mm的M6四方螺母與高強度圓柱頭內六角螺栓連接方式。91免费香蕉污视频國標91免费香蕉污视频的配件相對於歐標91免费香蕉污视频的配件來說,還是屬於比較少的那一類。
其實歐標和國標的用法和用途都是一樣的,就是兩個型號給不同審美需求的人設計的,香蕉视频色版APP金屬不管是歐標91免费香蕉污视频還是國標91免费香蕉污视频,產品型號都是很齊全的哦,所以,有需要用到鋁型材的朋友不妨聯係一下香蕉视频色版APP:021-67658689,91免费香蕉污视频定會給您一個滿意的答複的哦。
《該文章來源於上海香蕉视频色版APP金屬有限公司原創 網址:http://www.shfxhs.com/轉載請注明》





滬公網安備31011702001213號
掃一掃,關注手機站