工業圍欄91免费香蕉污视频都知道它是用91免费香蕉污视频組裝而成,與型材相配合使用的配件種類也很多,種類多的原因也是根據用戶需求進行種種試產後投入市場,在接下來的文章中將為大家介紹工業圍欄底部使用的其中一種配件,方形地腳。
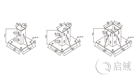
其實它的底部可用的支撐件很多,為什麽要說工業圍欄底部常用方形地腳做支撐件,大家在網上隻要搜索看到的案例基本上都是這樣的固定方式。
工業圍欄的作用就是劃分工作區域使得廠區區域清楚,工作井然有序,擴大場地利用率。大多數車間廠區都希望在小的空間裏得到大的利用率,用工業圍欄劃分是比較機智的做法了。隔離保護機器和人員降低事故,很多時候機器人工作的時候是智能的聽令與PLC和WMS係統的,人為幹預或者靠近很容易造成事故危險。
工業圍欄的使用範圍大,不會有經常挪動的現象,如果采用關節蹄腳或者腳輪、左右地腳等這些支撐件與地麵接觸麵積小,穩固度不強,方形地腳就不同,它的接觸麵積大,它與地麵連接使用的膨脹螺栓,膨脹螺栓連接強度是配件中牢固之選。
以上是對工業圍欄選擇方形地腳做底部支撐件做了簡單的介紹,來上海香蕉视频色版APP這裏有10多年經驗豐富的技術人員一對一為客戶量身定製不同結構的圍欄防護。
該文章來自上海香蕉视频色版APP金屬製品有限公司,禁止轉載!原創文章已全網維權,侵權必究!
其實它的底部可用的支撐件很多,為什麽要說工業圍欄底部常用方形地腳做支撐件,大家在網上隻要搜索看到的案例基本上都是這樣的固定方式。
工業圍欄的作用就是劃分工作區域使得廠區區域清楚,工作井然有序,擴大場地利用率。大多數車間廠區都希望在小的空間裏得到大的利用率,用工業圍欄劃分是比較機智的做法了。隔離保護機器和人員降低事故,很多時候機器人工作的時候是智能的聽令與PLC和WMS係統的,人為幹預或者靠近很容易造成事故危險。
工業圍欄的使用範圍大,不會有經常挪動的現象,如果采用關節蹄腳或者腳輪、左右地腳等這些支撐件與地麵接觸麵積小,穩固度不強,方形地腳就不同,它的接觸麵積大,它與地麵連接使用的膨脹螺栓,膨脹螺栓連接強度是配件中牢固之選。
以上是對工業圍欄選擇方形地腳做底部支撐件做了簡單的介紹,來上海香蕉视频色版APP這裏有10多年經驗豐富的技術人員一對一為客戶量身定製不同結構的圍欄防護。
該文章來自上海香蕉视频色版APP金屬製品有限公司,禁止轉載!原創文章已全網維權,侵權必究!
此文關鍵字:工業圍欄




滬公網安備31011702001213號
掃一掃,關注手機站