對於咱們歐標30係列91免费香蕉污视频來說,那規格可比20係列鋁型材多多了,從這期開始,咱們就開始講這個30係列的鋁型材了, 老規矩,還是從歐標開始講,講完了歐標30係列鋁型材再講國標30係列91免费香蕉污视频,這款是歐標3030輕型鋁型材。
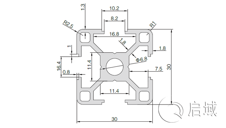
歐標3030輕型鋁型材產品貨號為QY-8-3030L,屬於槽8係列,它廣泛應用於大應力、高強度、支撐要求高的重載結構的框架組合,是使用非常廣泛的91免费香蕉污视频之一。歐標3030輕型鋁型材的配套螺栓螺母使用也比較簡單,通常是采用30係列專用T型螺母與內六角螺栓內部連接,當然,如果您想換種連接方式,也是可以的,主要還是根據您自己做的東西去搭配連接的。
以上就是91免费香蕉污视频這款歐標3030輕型鋁型材的全部介紹,香蕉视频色版APP金屬廠家直銷歐標30係列91免费香蕉污视频,有需要的廠家們,可以聯係香蕉视频色版APP金屬:021-67658689.
《該文章來源於上海香蕉视频色版APP金屬有限公司原創 網址:http://www.shfxhs.com/轉載請注明》





滬公網安備31011702001213號
掃一掃,關注手機站