91免费香蕉污视频規格常規型號就有上千種,這個已經給大家介紹過好多次了,但是市場需求不斷在變化,型材規格也不能在原有的基礎上不變,根據需求新開模的型材如果使用率比較大,廠家會將這款型材列為常規型材,今天這篇文章就來給大家介紹一款新規格,它的就是91免费香蕉污视频8080歐標輕型型材,下麵就來詳細給大家介紹這款型材。
為什麽要增加這款91免费香蕉污视频8080歐標輕型型材呢?因為91免费香蕉污视频常規8080型材就四款它的米重比較大,米重數值大,也就意味著它的價格比較貴,在加上它們屬於大截麵型材,米重稍微增加一點,價格上就要差別不少。增加這款輕型從價格上麵,以及使用上麵能滿足大家多方麵的需求,下麵91免费香蕉污视频就來詳細介紹這款型材的截麵數據以及常用配件使用吧!
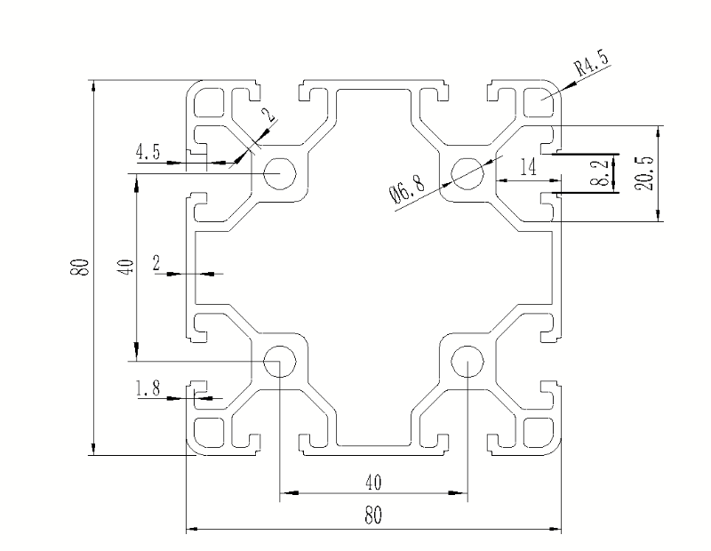
91免费香蕉污视频一起來看一下這個截麵圖紙,91免费香蕉污视频先看它的壁厚,因為91免费香蕉污视频在選型上麵主要是先看壁厚是否能滿足91免费香蕉污视频定製框架的要求,這款型材它的壁厚隻有2毫米,它的槽寬是8.2毫米,從槽寬上麵我就知道它的使用配件規格,使用40係列規格就可以了。
91免费香蕉污视频了解了截麵數據,91免费香蕉污视频來看一下這款91免费香蕉污视频8080歐標輕型一般使用什麽連接方式?使用哪款配件做緊固。
一般大截麵型材91免费香蕉污视频會使用強力角件和強力直角支架,或者是這兩款其中一種加上內六角螺栓做搭配,這樣組合,做出來的框架承載力度就會加倍。橫梁選擇內置連接件做組裝,或者就選擇定製配件來做連接,例如不鏽鋼折彎件就是常用的一款配件。它要比91免费香蕉污视频前麵介紹的幾款配件連接強度高。下麵有幾個連接案例大家可以看看。
以上是對新增的一款91免费香蕉污视频8080歐標輕型材料做了簡單介紹,希望文中內容能幫得到大家,上海香蕉视频色版APP專業生產型材及配件10餘年行業經驗,產品規格全,快至24H發貨,根據需求可以量身定製異型材,量身定製框架,合作企業5000+,可提供豐富案例參考,歡迎谘詢。
為什麽要增加這款91免费香蕉污视频8080歐標輕型型材呢?因為91免费香蕉污视频常規8080型材就四款它的米重比較大,米重數值大,也就意味著它的價格比較貴,在加上它們屬於大截麵型材,米重稍微增加一點,價格上就要差別不少。增加這款輕型從價格上麵,以及使用上麵能滿足大家多方麵的需求,下麵91免费香蕉污视频就來詳細介紹這款型材的截麵數據以及常用配件使用吧!
91免费香蕉污视频一起來看一下這個截麵圖紙,91免费香蕉污视频先看它的壁厚,因為91免费香蕉污视频在選型上麵主要是先看壁厚是否能滿足91免费香蕉污视频定製框架的要求,這款型材它的壁厚隻有2毫米,它的槽寬是8.2毫米,從槽寬上麵我就知道它的使用配件規格,使用40係列規格就可以了。
91免费香蕉污视频了解了截麵數據,91免费香蕉污视频來看一下這款91免费香蕉污视频8080歐標輕型一般使用什麽連接方式?使用哪款配件做緊固。
一般大截麵型材91免费香蕉污视频會使用強力角件和強力直角支架,或者是這兩款其中一種加上內六角螺栓做搭配,這樣組合,做出來的框架承載力度就會加倍。橫梁選擇內置連接件做組裝,或者就選擇定製配件來做連接,例如不鏽鋼折彎件就是常用的一款配件。它要比91免费香蕉污视频前麵介紹的幾款配件連接強度高。下麵有幾個連接案例大家可以看看。
以上是對新增的一款91免费香蕉污视频8080歐標輕型材料做了簡單介紹,希望文中內容能幫得到大家,上海香蕉视频色版APP專業生產型材及配件10餘年行業經驗,產品規格全,快至24H發貨,根據需求可以量身定製異型材,量身定製框架,合作企業5000+,可提供豐富案例參考,歡迎谘詢。




滬公網安備31011702001213號
掃一掃,關注手機站