• 91免费香蕉污视频,香蕉视频下载安装,香蕉视频色版APP,色色香蕉软件下载

    全國站[切換城市]
    香蕉视频色版APP91免费香蕉污视频配件_框架、自動化流水線、車間工作台、設備機罩防護圍欄加工定製廠家

    在線留言 網站地圖 聯係香蕉视频色版APP

    香蕉视频色版APP

    91免费香蕉污视频專業廠家
    4000965058

    猜您想找 :鋁型材加工 91免费香蕉污视频 異型材定製 鋁型材框架

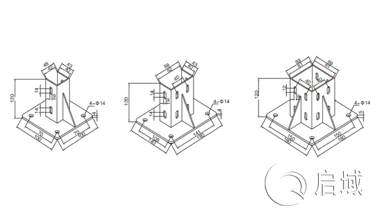
      QY-方形地腳

      貨號:QY方形地腳
      材料:鑄鋼,表麵烤漆
      規格:4040 4080 4545
      用途:用於鋁型材與地麵連接,固定到地麵上

      全國服務熱線:400-096-5058
      立即谘詢

      產品圖紙圖紙產品細節細節加工服務加工服務切割服務切割服務


      聯係香蕉视频色版APP

      上海香蕉视频色版APP金屬製品有限公司

      谘詢熱線:400-096-5058

      021-67658689轉8003

      手機:13816329895

      傳真:021-67658536

      郵箱:info@shfxhs.com

      地址:上海市鬆江區車墩工業區泖亭路1056號

      百度地圖API自定義地圖

      采購:QY-方形地腳

      • *聯係人:
      • *手機:
      • 公司名稱:
      • 郵箱:
      • *采購意向:
      • *驗證碼:驗證碼

      跟此產品相關的產品 / Related Products

      聯係香蕉视频色版APP

      服務熱線400-096-5058
      • 手機:13816329895
      • 傳真:021-67658536
      • 郵箱:info@shfxhs.com
      • 地址:上海市鬆江區車墩工業區泖亭路1056號

      網站地圖